03
固體DAC技術研究現狀
3.1固體堿(土)金屬DAC技術
3.1.1純堿(土)金屬DAC技術
CaO、Ca(OH)2及NaOH等堿(土)金屬的氧化物或氫氧化物是燃燒后CO2捕集的常用固體吸附劑之一,近年來受到了廣泛的關注。以CaO為例,其CO2捕集過程主要包括兩步:一是CaO與CO2接觸后發生碳酸化反應轉化為CaCO3;二是CaCO3煅燒釋放出CO2,上述兩步連續循環進行。堿(土)金屬的氧化物或氫氧化物同樣可應用于空氣中CO2的捕集,只是由于空氣中CO2的濃度遠低于煙氣中CO2的濃度,導致空氣中直接捕集CO2所需能量大幅增加。

圖7 堿(土)金屬DAC實驗流程示意圖
Nikulshina等提出了一種利用太陽能提供能源的堿(土)金屬DAC實驗流程,如圖7所示,采用高通量太陽能聚光模擬器作為高溫熱源,利用流化床反應器提供碳酸化及煅燒的反應環境,先將流化床在氬氣(Ar)氛圍下加熱至所需穩態溫度,再將流化氣體送入流化床反應器開始反應,兩個流化床反應器并列運行,根據碳酸化或煅燒步驟的要求調節反應器的溫度及流化氣體。在碳酸化過程中,將水蒸汽與空氣送入流化床,水蒸氣在碳酸化反應過程中可最為催化劑提高反應速率,調節H2O濃度為3%~17%,保持反應器溫度在290~390℃之間,使CaO碳酸化轉化為CaCO3;在煅燒過程中,將水蒸氣作為流化氣體,調節反應器溫度為800~875℃,使CaCO3分解成CaO與CO2。最后通過計算得到,上述CaO-CaCO3熱化學循環每捕獲1molCO2所需的太陽能能量約為10.6MJ,這樣高的能耗及較低的吸附速率限制了堿(土)金屬DAC技術的實際應用。
Nikulshina、Stolaroff與Campbell等研究人員對其他堿(土)金屬碳酸鹽DAC技術進行了試驗研究,發現鈉基吸附劑的吸附速率及轉化率大幅降低,Mg(OH)2與MgO的吸附動力學較為緩慢,LiOH與Zn(OH)2再生困難,AgOH雖然具有吸附速率快與再生能耗低的優點,但其原料成本過高。因此盡管與鈣基吸附劑相比所需能耗較少,其他堿(土)金屬吸附劑直接空氣捕集技術仍很難在實際中應用。
3.1.2負載型堿(土)金屬DAC技術
許多研究人員發現,在氧化鋁、活性炭與分子篩等多孔基質中浸漬堿(土)金屬的氧化物或氫氧化物,得到的混合固體吸附劑由于反應接觸面積增大使碳酸化速率增加,因此認為這種負載型堿(土)金屬DAC技術也可以用于空氣直接捕集CO2。
堿(土)金屬作為活性組分對復合吸附劑的吸附性能有很大的影響,從CO2吸附容量和吸附動力學方面來說,K2CO3通常優于Na2CO3,因此現有研究中多將K2CO3作為活性組分負載在多孔載體上,此外載體的性能對活性組分的分散及吸附劑性能也有很大影響。Veselovskaya等將21~23%的碳酸鉀(K2CO3)負載于氧化鋁(Y-Al2O3)中制得的復合吸附劑用于直接空氣捕集,當再生溫度為250~300℃時,連續80次吸附與解吸循化后吸附劑的吸附性能仍保持不變,他們分析認為Y-Al2O3/K2CO3對CO2的吸附是通過Al2O3表面納米分散的KAlCO3(OH)2以及KHCO3共同作用的結果,并計算得到吸附與解吸過程所需能量約為333kJ/mol,遠低于NaOH溶液吸附所需能量。
負載型堿(土)金屬吸附劑具有吸附效率高與再生穩定性好等優點,但是通常需要在200℃以上的較高溫度下再生,再生過程需要消耗較多能量,因此高再生溫度是負載型堿(土)金屬吸附劑實際應用的主要限制因素。
3.2固態胺吸附劑DAC技術
研究人員將胺基作為吸附CO2的活性組分,并將其負載于固體多孔材料上得到了固態胺吸附劑。在固體DAC技術涉及的各種固體吸附劑中,關于固態胺吸附劑的相關研究是最多的,因為即使在空氣中CO2分壓較低的情況下,負載的胺也可與空氣中的CO2反應從而進行高效捕集,且其再生也較容易。胺與CO2在干燥條件下反應生成氨基甲酸銨,或在有水條件下反應生成碳酸銨或碳酸氫銨。
固態胺吸附劑DAC流程之一如圖8所示,主要包括空氣接觸器、控制閥、真空泵以及冷熱供應系統,采用變溫—真空再生(TVSA)方式,單個循環過程可分為吸附、吹掃、再生和再增壓四個不同步驟:在吸附步驟中,空氣在環境條件下進入空氣接觸器,空氣中的CO2(和H2O)被吸附劑選擇性吸附后,貧CO2空氣排出;吹掃步驟是利用外部熱源將吸附劑預熱,使吸附劑空隙中的空氣(主要成分為N2與O2)被移除,以提高再生得到CO2的濃度;在再生步驟中,利用真空泵產生真空,并將吸附劑繼續加熱至再生溫度,CO2在100℃左右的水蒸汽中從吸附劑上脫附下來,再將CO2與H2O分離后得到高純CO2氣流;最后的再增壓步驟,利用周圍冷空氣使吸附材料冷卻并增加系統壓力,使系統恢復至最初狀態。利用水蒸汽作為加熱介質,雖然增加了一定的再生能耗,但提高了解吸動力且得到的CO2濃度較高。

圖8 固態胺吸附劑DAC流程示意圖
除上述四步TVSA循環之外,研究人員還對三步與五步TVSA循環進行了研究。Zhu等提出了一種蒸汽輔助的三步TVSA循環,即在減壓條件下將吹掃與再生步驟合并,這是因為蒸汽吹掃時吸附H2O所釋放出的熱量可同時維持CO2再生,通過試驗得到了蒸汽吹掃的最佳操作條件為90℃與0.03MPa,能耗僅為0.295MJ/mol。Sinha等研究了五步TVSA循環,在吸附完成后抽真空除氧,然后再通蒸汽快速增壓并加熱進行再生,吸附后增加的抽真空步驟可產生較大的CO2分壓差,既有利于CO2解吸又可維持CO2產品的高純度與吸附劑穩定性。
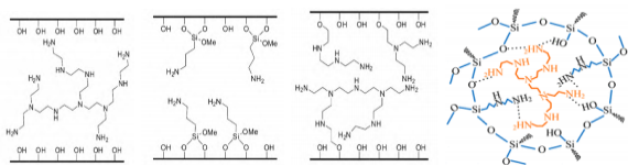
根據制備方法及氨基與載體結合方式不同,可將固態胺吸附劑分為四類,這四類固態胺吸附劑的結構示意如圖9所示:第一類吸附劑基于物理浸漬法將氨基與載體通過物理吸附作用結合,制備方法簡單,吸附容量較高但穩定性較差,吸附效果受溫度、濕度及吸附/脫附循環次數影響較大;第二類吸附劑利用化學嫁接法使氨基與載體通過化學鍵結合,耐熱性及壽命較第一類吸附劑有所增加,但由于外表面硅羥基數量限制了接枝氨基的數量,使得吸附容量較第一類吸附劑降低;第三類吸附劑利用原位聚合法將胺單體接枝于載體,合成過程較為復雜,但由于富含較多的胺,吸附能力及穩定性能都優于前兩類吸附劑;第四類吸附劑是Wilfong等將第一類與第二類吸附劑相結合得到的,具有氨基硅烷接枝的二氧化硅表面以及由氨基硅烷包圍的氨基聚合物組成的浸漬層,關于第四類固態胺吸附劑的研究比較少,但已有研究結果表明其對CO2吸附表現優異,這為新型吸附劑的開發新提供了一個新方向。

(a)第一類(b)第二類(c)第三類(d)第四類
圖9 四類固態胺吸附劑結構示意圖
目前研究較多的載體材料有金屬-有機骨架(MOFs)、二氧化硅、活性炭、碳納米管、硅膠等,負載的胺基包括聚乙烯亞胺(PEI)、四乙烯五胺(TEPA)、五乙烯六胺(PEHA)與聚丙烯胺(PAA)等。選擇吸附劑時,既要關注載體內部結構及其表面性質,也要選擇合適的胺基及其改性方法,通過表面修飾與孔徑優化調節實現最佳吸附效果。表2為現有直接空氣捕集研究中CO2吸附容量較大且循環穩定性較好的部分研究結果。

增加胺基負載可提高對空氣中CO2的吸附容量,但從CO2吸附動力學來說,胺基負載量并不是越多越好。Miao等]發現少量的TEPA可以有效地分散并填充SBA-15孔道,TEPA負載量超過50%后,部分TEPA涂覆在SBA-15外表面引起外表面CO2團聚并形成擴散阻擋層,因此認為TEPA/SBA-15中的TEPA負載量為50%時最適合用于DAC吸附。Zhao等認為較高的TEPA負載量可提供更多CO2反應的胺吸附位點、促進CO2吸附,但TEPA負載量的進一步增加會因過多的粘胺固體積累導致孔隙堵塞,從而使吸附容量和吸附速率降低,當Mg0.55Al-O中的TEPA負荷達到67%時,可獲得3.0mmol/g的最佳飽和吸附容量。在固體吸附劑中加入PEG、Span80及CTAC等添加劑可以提高CO2吸附性能,對于添加劑的促進效應也存在幾種分析觀點,如可改善胺基在載體上的分散、降低有機粘度以及促進CO2與胺基之間的反應提高胺效率等。溫度與濕度對固態胺吸附劑的吸附效果影響較大,最佳吸附溫度及脫附溫度會因胺基與載體種類的不同而有所差異,關于空氣中水含量對CO2吸附影響的結論不盡相同。
Climeworks與GlobalThermostat均選擇固體胺作為DAC吸附劑,并采用支持可擴展性的模塊化設計,區別在于其吸附劑的具體型式。Climeworks在由特殊纖維素制成的過濾器(收集器核心部件)上負載固體胺,且每六個模塊化的CO2收集器可安裝在一個標準的40英尺集裝箱中,既可實現自動化制造降低成本,又便于使用不同的吸附材料或工藝。Climeworks憑借十幾座DAC工廠的運營經驗制定了詳細的降低成本發展路線,認為未來10年內通過將CO2礦化有望將從空氣中捕集并安全儲存CO2的成本降至約100美元/t。GlobalThermostat則在蜂窩狀整體結構外涂覆專有的氨基聚合物作為吸附劑,并公布其能源可由低品位熱(85℃)提供,CO2的生產成本可低至50美元/t。
3.3MOFs材料DAC技術
金屬有機框架(Metal-OrganicFrameworks,MOFs)材料可通過改變金屬離子與有機配體的種類設計組裝成不同的拓撲結構,具有比表面積高、孔隙結構發達、結構組成多變的特點。
近年來MOFs已成為DAC領域的研究熱點,可通過在MOFs上負載胺基(3.2節),或調整孔徑及活性點位分布來獲得較強的CO2吸附能力。Shekhah等研究了SIFSIX-3-Cu/Ni/Zn直接空氣捕集CO2的性能,通過調整金屬種類改變單元格和孔徑分布,發現中心粒子為鋅(Zn)時孔徑最大,對應的CO2吸附量為0.13mmol/g;中心粒子為銅(Cu)時孔徑最小,可吸附1.24mmol/g的CO2。邢華斌教授團隊等研究了具有超微孔結構的在大氣條件下對CO2的吸附,CO2吸附容量可達到1.05mmol/g,遠高于SIFSIX-3-Ni(0.42mmol/g)與TIFSIX-3-Ni(0.65mmol/g),這是由于ZU-16-Co具有較小的孔徑、較強的分子間作用力及較大的孔容。在水蒸氣的存在下,由于H2O與CO2之間存在競爭吸附,導致MOFs對CO2的吸附性能和選擇性顯著降低,因此有必要通過表面改性使MOFs表面疏水或開發新型MOFs材料,以提高吸附劑在水分子存在下的穩定性。Bhatt等構建了一種新型的MOF材料NbOffIVE-1-Ni,其在400×10-6CO2和25℃下對CO2的吸附能力可高達1.3mmol/g,且在濕度為RH75%時CO2穿透時間變化不大,表明這種材料可同時吸附CO2與H2O,吸附性能不受H2O的影響。

圖10 Airthena移動式DAC中試裝置流程
澳大利亞Airthena公司開發了一套基于MOFs材料的移動式DAC中試裝置,其流程示如圖10所示,采用可交替完成吸附與解吸的三個相同模塊實現裝置的連續操作,每個模塊均包含鼓風機、吸附室、真空泵及相關連接管道與儀表。每個吸附室內均安裝有螺旋結構的長電阻加熱板,MOF聚合物納米復合材料作為吸附劑涂覆在加熱板表面,涂層厚度為30~200m,由至少50wt%的MOFs與一種或多種粘合劑復合而成。循環過程包括吸附、吹掃及解吸三個步驟,解吸過程采用電阻加熱使溫度在10min內升至最佳再生溫度80℃,再生能耗僅為5760kJ,得到的CO2產品濃度為80%左右,裝置運行成本為35~350美元/tCO2。
3.4變濕吸附DAC技術
為降低DAC吸附劑再生能耗高的問題,Lackner教授提出了一種基于季銨基離子交換樹脂的變濕吸附(MoistureSwingAdsorption)DAC技術,通過改變環境中的水汽分壓來實現CO2的吸附與脫附過程。變濕吸附DAC的原理如圖11所示,圖中的R為與基質骨架通過共價鍵相連的季銨鹽陽離子,變濕吸附DAC主要分為三個步驟:一是在干燥環境下,吸附劑表面的堿性基團(OH-或CO32-)吸附空氣中的CO2;二是在濕度較高或水合度較高條件下,吸附劑所吸附的CO2逐漸解吸;三是解吸后得到的CO2壓縮后封存或利用。關于及季銨鹽聚合物對CO2的較強親和力,Quinn等與Wang等認為其來自于陰離子與水分子之間形成強氫鍵帶來的質子轉移及OH-的生成。Wang等構建了“H2O—CO2—樹脂”多元吸附熱力學循環體系,認為變濕吸附可理解為1個CO2分子的解吸需對應多喝H2O分子的吸附,H2O分子是CO2解吸的驅動力,這與傳統CO2與H2O的競爭吸附機制完全不同。
變濕吸附DAC吸附劑可以采用熱壓法、流延法或浸涂法制得物理復合型季銨吸附劑,也可以將季銨官能團接枝到不同種類載體上得到化學嫁接型季銨吸附劑。Wang等利用Na2CO3溶液對商業I-200型陰離子交換樹脂進行離子改性,發現其對空氣中CO2的吸附容量為0.86mmol/g。He等基于高表面積的炭黑、膠體晶體模板以及高內相乳液(HIPE)合成了三種不同的變濕吸附劑(配對OH-),對應空氣中CO2的吸附容量分別為0.14mmol/g、0.37mmol/g及0.49mmol/g,與商業凝膠樹脂相比,CO2吸附容量顯著增加,且吸附與解吸速率表現出1~2個數量級的改善。Wang等將季銨官能團接枝于介孔聚合物,并與Na2CO3溶液進行離子交換后制得了具有超高動力學的變濕吸附劑,其CO2吸附量為0.26mmol/g且半吸附時間僅為2.9min,這對于變濕吸附劑用于大規模DAC部署具有重要意義。吳禹松采用聚醚砜(PES)及商業樹脂制備得到了D201與D290變濕吸附劑(Na2CO3改性),對空氣中CO2的吸附容量分別高達1.02mmol/g與1.03mmol/g。研究發現溫度與濕度對變濕吸附有一定的影響。Song等將季銨官能團接枝在生物質聚殼糖上制備變濕吸附劑用于吸附空氣中的CO2,當溫度為10℃時對應的半吸附時間是20.7min,而溫度升至30℃后半吸附時間減為6.9min,表明溫度對于CO2與H2O的擴散有顯著促進作用。
變濕吸附DAC技術利用水的蒸發自由能作為CO2解吸的能量來源,且水與CO2的吸附方向相反,消除了與水共吸附相關的能量損失,可顯著降低DAC能耗水平,Lackner預計未來變濕吸附DAC技術的價格有望降低至30美元/t。Hou等提出將變濕吸附DAC(30kg/day)與農業施肥系統相結合,選擇解吸溫度45℃與出口CO2濃度3%作為最佳操作條件,最小能量需求為35.67kJ/mol,綜合成本僅為34.68美元/t。變濕吸附DAC技術對水質的要求較高,應使用相對清潔的水以避免雜質陰離子污染樹脂,且由于水的使用量大使得變濕吸附DAC裝置應設置在水源充足的地方。需要注意的是,變濕吸附DAC技術最終得到的CO2分壓相對較低,因此在CO2利用或封存之前需要設置增壓環節。
3.5DAC聯合甲烷化(DACM)技術
Duyar等首次提出將雙功能材料(dualfunctionmaterials,DFM)用于點源CO2捕獲并原位催化轉化為甲烷(CH4)。DFM由高表面積載體及共同分散其上的CO2吸附與催化組分構成,DFM可從空氣中直接捕獲CO2,并通過引入活性氣體(如H2)將其轉化為CH4。DACM技術的流程如圖12所示,DFM在環境條件下從空氣中捕集CO2,然后將吸附CO2后的DFM在H2氣氛中加熱至一定溫度,以便將捕獲的CO2在催化劑的作用下轉化為CH4。將DAC與燃料合成相結合,同時實現CO2捕集和與轉化,可有效減少后續CO2壓縮及運輸成本。

圖11 變濕吸附DAC原理示意圖

圖12 DACM技術流程示意圖
Veselovskaya等在室溫下用反應器床層裝載的(25.4%~26.1%)K2CO3/Al2O3吸附CO2,隨后在H2氣氛下將反應器加熱至300~350℃,使CO2在床層中4%Ru/Al2O3的作用下解吸并轉化為甲烷,試驗發現H2O分壓由1200Pa增至2300Pa時甲烷轉化率有所降低;當再生溫度由300℃升至350℃后,解吸得到的CO2總量沒有顯著變化,但CO2轉化為甲烷轉化率由94%增長為96%。Veselovskaya等利用22.1%K2CO3/Al2O3吸附劑與4%Ru/Al2O3催化劑進行DACM試驗研究,發現CH4的產率與催化溫度及H2進口流量有關,并通過優化得到甲烷最大轉化率為收率為98%。Jeong等研究了1%Ru+10%Na2O/Al2O3材料用于DACM的效果,發現這種DMF材料在干空氣或濕空氣中均表現出優越的吸附及甲烷轉化性能,且10次循環后性能仍保持穩定,還發現濕空氣(90%RH)條件下CO2的捕集能力比干空氣條件增加了2.36倍,分析認為是由于H2O的存在形成NaHCO3增強了CO2捕集能力。
3.6其他固體DAC技術
近年來,光誘導擺動吸附(light-inducedswingadsorption,LISA)受到了越來越多關注。研究人員在多孔材料內嵌入光反應因子,利用外部光照刺激調節光響應型吸附劑內光反應開關的“開”與“關”,進而調控其吸附點位的CO2吸附能力、實現CO2的吸附與脫附。光誘導擺動吸附用于高濃度或純CO2吸附的研究較多,但關于空氣中超低濃度CO2的吸附研究較少。李倩等將偶氮苯(Azo)接枝到PEI-SBA-15上用于直接空氣捕集,當PEI的含量為30%、50%舊70%時,對應的CO2脫附量分別為0.2mg/g、0.5mg/g及0.6mg/g,經歷連續10個周期的光照/黑暗后CO2的吸附與脫附性能變化不大,這為光誘導擺動DAC技術的進一步研奠定了基礎。
Su等提出了一種將浮游植物硝酸鹽同化與CO2溶解相結合的新型DAC(MI-DAC)技術,利用微生物將硝酸鹽轉化為氨過程中產生的羥基來提高水的pH值,試驗發現將這種技術用于海水可使海水的pH大于10,從而使空氣中的CO2容易被海水吸收并轉化為碳酸鹽實現礦化,同時硝酸鹽可作為副產品回收。實驗室數據成本分析表明,MI-DAC技術的成本僅為約30.54美元/t,表明這種方法對于大規模DAC的部署極具發展前景。
04
DAC技術對比分析
DAC技術主要分為液體DAC技術與固體DAC技術兩大類,各種DAC技術的優缺點對比如表3所示。其中堿性氫氧化物溶液DAC技術與固態胺吸附劑DAC技術發展最為成熟,已存在大規模商業化實例;MOFs材料DAC技術與變濕吸附DAC技術發展較為成熟,已有小規模示范裝置;胺溶液DAC技術與固體堿(土)金屬DAC技術由于成本過高限制了應用;氨基酸鹽溶液/BIGsDAC技術、堿度濃度變化DAC技術、DACM技術、光誘導擺動吸附與MI-DAC技術作為新興DAC技術,具有經濟性好的優點,但仍處于初級階段,還需要進一步深入研究。

目前,DAC仍處于商業化初期,隨著DAC技術的深入研究及大規模發展,其技術成本有望進一步降低。DAC的技術成本主要包括投資成本、能耗成本、吸收劑/吸附劑材料成本及運營維護成本等,由于尚無統一的研究方法,因此不同研究人員得到的技術成本不盡相同,表4為不同文獻中關于DAC能耗及成本的評估比較。

在現有的DAC裝置中,最初的設計都是使用熱能和電能作為能量來源,且熱能在總能量中所占的比例受再生溫度的影響。再生溫度較低的DAC技術可充分利用低品位余熱及各種低碳能源,如生物質燃料、太陽能及地熱等;而需要高溫再生的DAC技術則僅能利用高品位熱,最多僅可使用如生物甲烷或氫燃料等低碳燃料。未來若充分利用能提供高品位熱的可再生能源,可以將碳排放減少到近零排放。
此外,在今后的研究中,應重點關注低成本、高吸附/吸收性能且循環穩定性好的DAC吸附/吸收劑的研發,優化或開發吸附/吸收劑再生工藝,同時開發適用于DAC技術的過程強化技術,為DAC的后續規模化與商業化應用奠定基礎。具體而言,未來關于DAC技術的研究可重點關注以下方面:
(1)吸附/吸收劑是DAC技術的核心,吸附/吸收劑的吸附/吸收與再生性能決定了DAC的最終效果與成本,已成為DAC大規模商業化的瓶頸。因此需進一步開發成本低、吸附性能高、循環穩定性好的DAC吸附/吸收劑,為DAC的后續規模化與商業化應用奠定基礎。目前關于固態胺與負載型堿(土)金屬吸附劑等復合吸附劑的研究,大多只包含一種載體與有效成分,對于包含兩種或兩種以上載體或有效成分復合吸附劑的DAC性能有待研究。
(2)堿性氫氧化物溶液DAC與固態胺吸附劑技術雖已成功實現商業應用,但仍有較大縮減成本空間,如開發高效節能的堿性氫氧化物苛性回收方法,優化再生工藝以減少固態胺吸附劑的再生損失,充分利用低碳能源(太陽能、風能及核能等)與低品位熱源等。
(3)對于其他尚未實現商業應用的DAC技術,應進一步研究其在真實氣候條件下的DAC效果,并評估建立工業裝置的成本,以便為未來的規模化與商業化鋪平道路。
(4)開發適用于DAC技術的過程強化技術,設計可充分發揮吸附/吸收劑DAC性能的空氣接觸器等設備,實現吸附劑/吸收快速裝載與卸載,構建結構簡單、易于操作且成本低廉的DAC裝置。
(5)現有DAC工廠主要在歐洲和北美的一定氣候條件下成功運行,但對于環境條件為極端潮濕或干燥、亞環境溫度以及空氣質量較差的地區而言,還需進行長期的DAC技術研究及裝置運行試驗。
05
結語
本文介紹了當前DAC項目情況,闡述了不同種類的液體DAC技術與固體DAC技術。堿性氫氧化物溶液DAC技術吸收速率快,但再生溫度高達900℃,再生能耗高,且伴隨大量的水分損失;胺溶液DAC技術吸收速率較高,但存在有毒介質揮發,且再生效率較低;氨基酸鹽溶液/BIGs與堿度濃度變化DAC技術屬于新興技術,均具有較快的吸收速率及較低的再生溫度,但氨基酸鹽溶液/BIGsDAC效果取決于BIGs種類及結構,堿度濃度變化DAC效果與溶液濃縮技術相關聯;固體堿(土)金屬DAC技術的再生能耗較高,DAC效果會因所選取的堿(土)金屬種類不同而存在較大差異;固態胺吸附劑DAC技術吸附速率快、再生溫度低,但吸附劑的熱穩定性有待進一步提高;MOFs材料DAC效果受環境中水含量影響較大,而受溫度影響較小;變濕吸附DAC技術再生溫度及再生能耗較低,但對水質及水量要求較高,且得到的CO2分壓較低需進一步壓縮;DAC聯合甲烷化(DACM)技術通過引入催化劑將捕集到的CO2與H2直接在300~350℃高效轉化為CH4,且受濕度影響較小;光誘導擺動吸附與MI-DAC技術正處于研究初級階段,目前看來再生能耗較低,十分具有經濟性。未來應進一步研發低成本、高吸附/吸收性能且循環穩定性好的DAC吸附/吸收劑,優化或開發吸附/吸收劑再生工藝,同時開發適用于DAC技術的過程強化技術,為DAC的后續規模化與商業化應用奠定基礎。